Forumindex › Forums › Modellen › Senator, Monza en Commodore, Rekord, KAD › opel rekord station 2.6 vandaag nieuwe kleur gespoten
- Dit onderwerp bevat 322 reacties, 26 deelnemers, en is laatst geüpdatet op 25 januari 2021om 21:24 door
geert opel.
-
AuteurBerichten
-
25 juni 2016 om 09:16 #1818144325 juni 2016 om 09:53 #18181444
Rekord E1.5 of Commodore C1.5 Berlina.
Ligt er aan of de toerenteller voor een 4 cil. of 6 cil. is.
Controleer bij het monteren wel even of bij de ronde stekker alle kabel kleuren overeen komen.
Bijvoorbeeld is dit bij een B Commodore niet zo, dit heeft met het bouwjaar te maken.Weet et niet zeker maar volgens mij is dit een uit een Rekord E1 dit omdat de snelheid tot 220 km/u gaat. 6 cil gaat volgens mij tot 240km/u. Maar pin me hier niet op vast.
26 juni 2016 om 09:03 #18181445en uit een monza ?
26 juni 2016 om 09:15 #18181446Kan ook uit een monza/senator a1 komen.
26 juni 2016 om 13:27 #18181447Nee dat is niet mogelijk, dit omdat de Eco meter alleen bij een .5 is geleverd. Bij een .5 Senator/Monza werdt het A2 klokkenspel geleverd met Eco meter.
Dit klokken spel past wel in een A1 Senator/Monza maar is op deze manier nooit geleverd.26 juni 2016 om 16:42 #18181448Monza Senator is tellers 240 tot de dit is Rekord 4Cil maar de toerentellen kun je ook voor 6 en 8 gebruiken zit en schroefje in waar je aan kunt draaien om um voor 6 en 8 te gebruiken maar dit is idd Rekord E1
26 juni 2016 om 18:38 #18181449@kywieman wrote:
Nee dat is niet mogelijk, dit omdat de Eco meter alleen bij een .5 is geleverd. Bij een .5 Senator/Monza werdt het A2 klokkenspel geleverd met Eco meter.
Dit klokken spel past wel in een A1 Senator/Monza maar is op deze manier nooit geleverd.Klopt idd, had te snel gekeken
Dacht een oliedruk meter gezien te hebben ipv eco meter. :jerry14 augustus 2016 om 08:57 #1818145014 augustus 2016 om 11:25 #18181451Bedoel je het raammechaniek? Of de ijzerdraden van de deurvergrendeling?
14 augustus 2016 om 15:29 #1818145216 augustus 2016 om 16:13 #18181453word een schone rekord station rolf
grtz chriske17 augustus 2016 om 15:34 #18181454jawel beetje voor beetje voorlopig weer efe tijdt meer moet mn huis gaan doen schilderen bestraten enzovoort pfffffffffff zonde van mn tijdt maar moet nou 1 maal
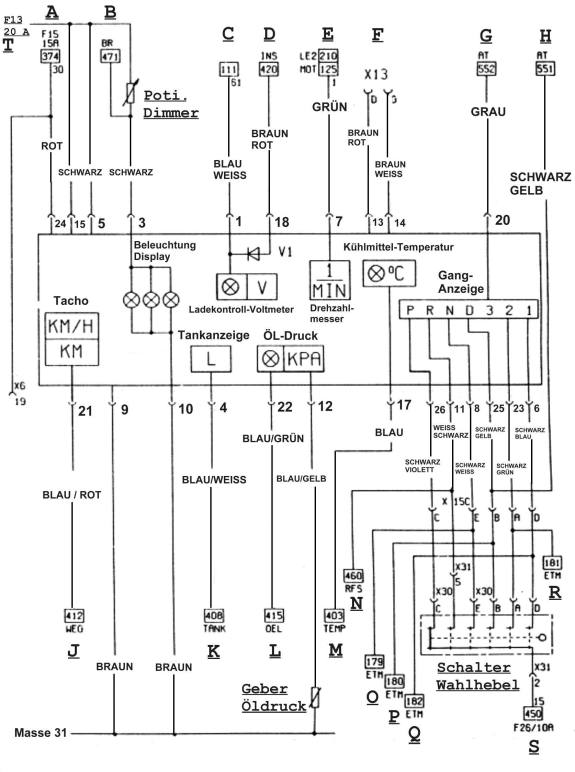
31 augustus 2016 om 23:49 #18181455Hierbij de beloofde elektronische schema voor het Senator B LCD Dashboard:
De blauw-zwarte kabel van de autoboom is voor de tank inhoud.
De onderstaande kabels en afbeelding zijn alleen voor stekker 2 de witte stekker die op de kop in het LCD dashboard geplaatst word deze is alleen voor het LCD gebeuren.
A = Constant 15 volt Rode kabel
B = verlichting uitlaat dimmer voor BC Zwarte kabel
C = opladen controlelampje van de dynamo Blauw-wit
D = schakelaar remvloeistof (Niet nodig)
E = Toerental Groen
F = diagnostische connector poort (Niet nodig)
G = controlelampje 4-traps automaat (H29 en K56 controller automatisch in elkaar grijpende) (Niet nodig)
H = schakelaar 4-traps automaat (Niet nodig)
J = Pullsgever op de bak (snelheid) Blauw-rode
K = tanksensor Blauw-zwart
L = controlelampje oliedruk Blauw-geel
M = koelvloeistoftemperatuursensor Blaauw
N = achteruitrijlicht verlaten (Niet nodig)
O + P + Q = controle Departures transmission control elektronisch (Niet nodig)
S = Geschakelde plus Zwart
T = Geschakelde plus Zwart
1 september 2016 om 19:08 #18181456thx voor je hulp
2 september 2016 om 08:18 #18181457En zo ziet zo’n digidash er niet eens zo heel complex uit :) Mooi overzicht, en baal er nu wel een beetje van dat ik destijds het exemplaar uit een B senator heb laten zitten…
2 september 2016 om 13:01 #18181458voor mij was et wel complex hoor ken heel veel maar al die draden haha
2 september 2016 om 13:53 #18181459iemand nog wat kabels liggen rond de 1.5 meter 0.5 volgens met de kleuren die ik nodig hep om te verlengen en te solderen om een nette kabelboom te maken liggen nou wel goed aangesloten maar is allemaal te kort gr baboe
2 september 2016 om 20:12 #18181460http://www.rdae.nl/draad-en-kabel/enkeladerig-draad/draad-20-mm2/” onclick=”window.open(this.href);return false;
3 september 2016 om 15:01 #18181461die zocht ik thx
21 november 2016 om 17:50 #18327453hoi ivm post verdwenen nog 1 keer rekord e2.6 heeft problemen met starten als hij koud is als ik hem help met inspuiten remmenreiniger start hij gelijk in 1 keer over uur ook nog maar de volgende morge probeer ik et doet hij et weer niet of ik spuit 1 keer en hij doet en blijf mooi lopen alles nagekeken op lekkage maar niks kennen vinden wat zou hiermee aan de hand zijn ? gr baboe
23 november 2016 om 17:36 #18327763ik denk dat hij geen benzine krijg met starte was voorheen goed sta wel druk op de slang als ik hem vast houd
28 november 2016 om 18:54 #18329894net weer gestart 1 keer beetje remmenreinig gespoten en gelijk goed blijven lopen alle sensors ook vervangen zo weer verder kijken
25 januari 2021 om 21:24 #18406396:good-job:
-
AuteurBerichten
- Je moet ingelogd zijn om een antwoord op dit onderwerp te kunnen geven.


